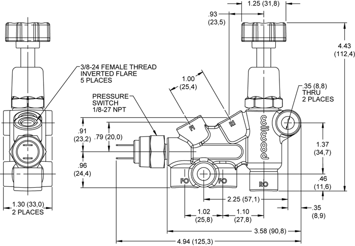
Das Wilwood Kombinations-Bremskraftreglerventil wurde speziell für Motorsport-Bremssysteme entwickelt und vereinfacht die Einstellung der Bremskraftverteilung erheblich. Durch die integrierte Kombination aus Verteilerblock und Proportionalventil lässt sich die Bremsbalance schnell und präzise auf unterschiedliche Fahrzeug- und Streckenbedingungen abstimmen.
Der Kombinationsblock sorgt für eine vollständige Trennung zwischen vorderem und hinterem Bremskreislauf, wodurch eine optimale Funktion in Verbindung mit Tandem-Auslass- oder Dual-Mount-Hauptbremszylindern gewährleistet wird.
Der hintere Bremskreis verfügt über einen einzelnen Ein- und Ausgang, der über das integrierte, stufenlos einstellbare Proportionalventil geregelt wird. Dadurch kann die Bremskraftverteilung präzise an die Anforderungen des Fahrzeugs angepasst werden.
Der vordere Bremskreis besitzt einen Eingang und zwei Ausgänge. Diese können entweder als einzelner Ausgang mit verschlossenem Anschluss oder zur Aufteilung der Bremsleitung zu den beiden vorderen Bremssätteln genutzt werden.
Eigenschaften
-
Stufenlos einstellbare Bremskraftverteilung 0–57 %
-
Integrierter Verteilerblock für Vorder- und Hinterachse
-
Mit integriertem Bremslichtschalter im vorderen Bremskreislauf.
-
Vollständige Trennung der Bremskreise
-
Anschlussgewinde: 3/8"-24 UNF
-
Hochwertiges Aluminiumgehäuse